Motivation

I was in need for more envelopes on a smaller footprint. So I adapted my reliable single AD/ADSR envelope and put four of them behind one front panel. To get them all behind this front I had to switch everything to SMD. The circuitry is the same as in my single ADSR. The gate inputs are connected to the next stage so you can use them with one gate.
Specs and features
- Quad AD/ADSR envelope
- Switchable between AD and ADSR
- Three time ranges
- Status signaled by LED
- Output voltage 0..+5V
- Runs on +/-12V and +/-15V
- Power consumption around 50mA positive, 20mA negative rail
Implementation
Schematic

AD/ADSR Envelope: Schematic 01 control board

AD/ADSR Envelope: Schematic 02 control board

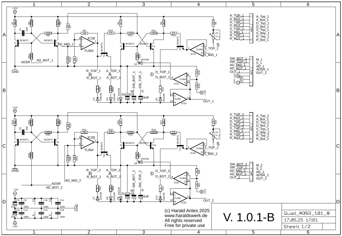
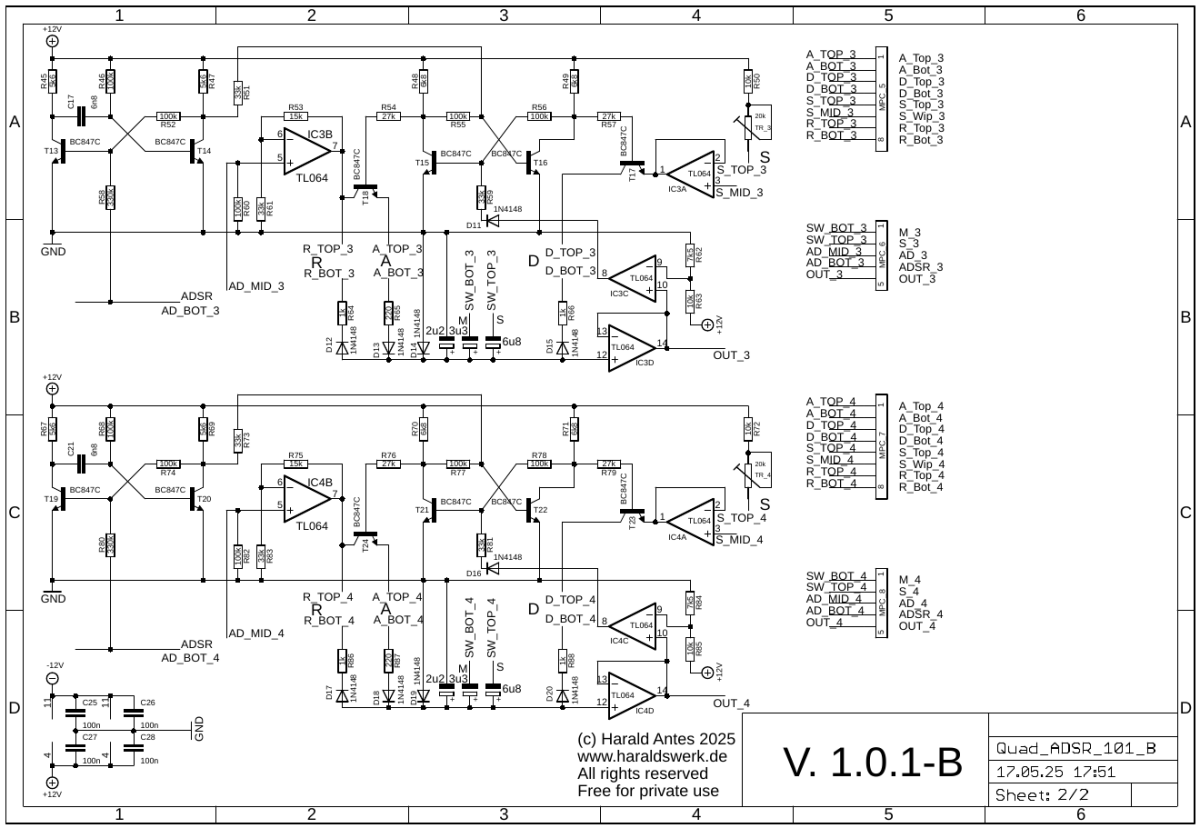
AD/ADSR Envelope: Schematic 01 main board

AD/ADSR Envelope: Schematic 01 main board
AD/ADSR: Screenshot AD curve fast attack/decay
AD/ADSR: Screenshot AD curve slow attack/decay
AD/ADSR: Screenshot AD curve fast attack slow decay
AD/ADSR: Screenshot ADSR curve fast attack/decay/release
AD/ADSR: Screenshot ADSR curve slower attack/decay/release
Description:
You can find a description here
Calibration
- Adjust TR_1/TR_2/TR_3/TR_4 for the output voltage of 5V.
Building hints
- It is all SMD. And dense. So, take your time when soldering.
Special parts
- None
Download
Quad_ADSR Envelope control board documentation downloadQuad_ADSR Envelope control board Gerber files download
Quad_ADSR Envelope main board documentation download
Quad_ADSR Envelope main board Gerber files download
Quad_ADSR Envelope *.fpd file