Motivation

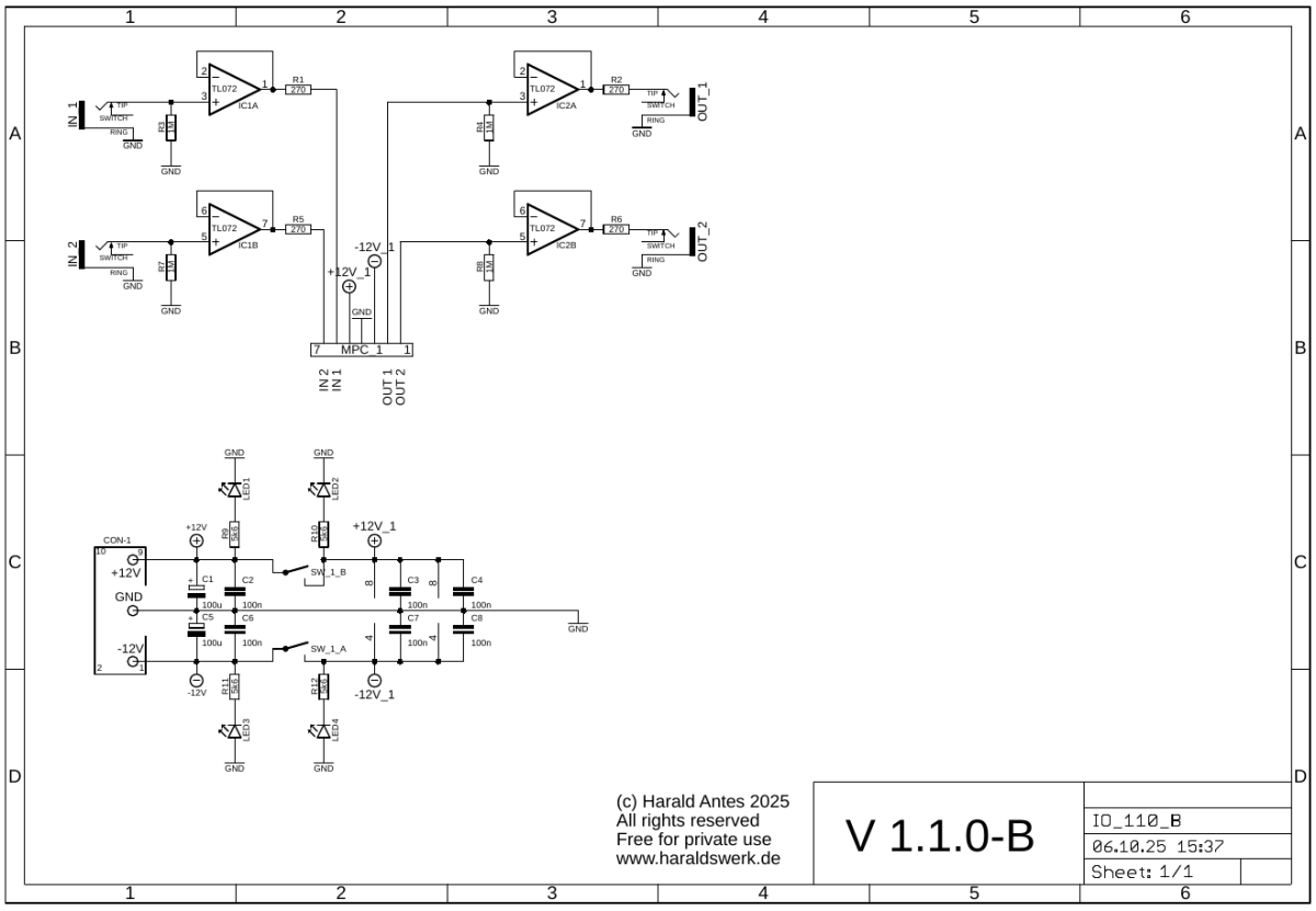
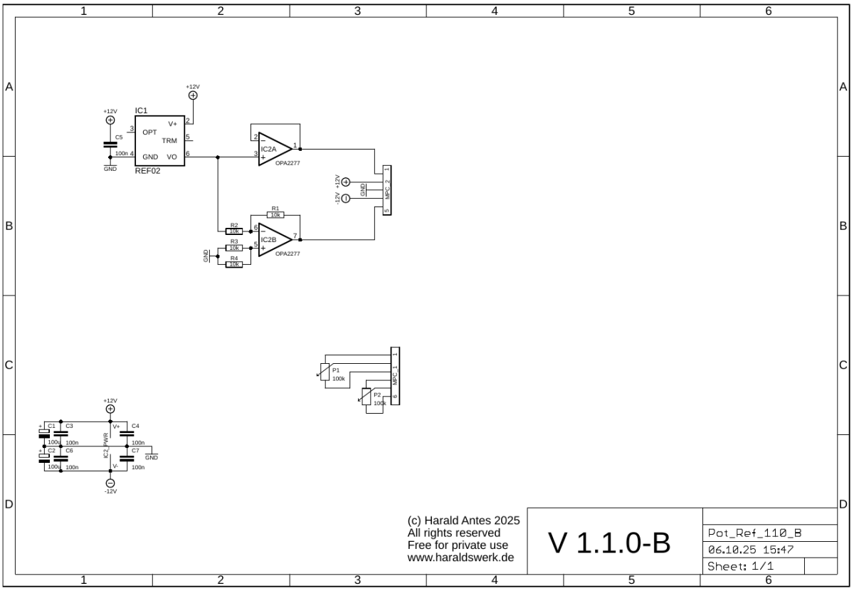
While breadboarding a new circuitry you need PSU, buffered in- and outputs, voltage references and potentiometers. So I build a tool which gives me those often needed components. On the left you see the PSU, on/off switch and buffered in- and output. On the left are the voltage reference and the poteniometers.
Specs and features
- PSU connector
- CV coupled, buffered in- and output
- Two potentiometers
- +/-5V voltage reference
Implementation
Schematic

Breadboard Tool: IO board schematic 01

Breadboard Tool: IO board schematic 02

Breadboard Tool: Pot-Ref board schematic 01

Breadboard Tool: Pot-Ref board schematic 02
Description:
Calibration
- None
Building hints
- None
Special parts
- None
Download
Breadboard Tool IO/A documentation downloadBreadboard Tool IO/A Gerber files download
Breadboard Tool IO/B documentation download
Breadboard Tool IO/B Gerber files download
Breadboard Tool Pot/Ref/A documentation files download
Breadboard Tool Pot/Ref/A Gerber files download
Breadboard Tool Pot/Ref/B documentation files download
Breadboard Tool Pot/Ref/B Gerber files download